
今回の記事では調節弁の流量特性、特にEQ%特性とリニア特性の選定指針について解説します。
調節弁を設計するためのデータシート作成においては、流量特性を決定する必要があります。
流量特性はEQ%特性、リニア特性、クイックオープン特性がありますが、プロセスを制御するための調節弁でよく選定される流量特性はEQ%特性、リニア特性の2つです。
主な流量特性
・ EQ%特性(イコールパーセント特性)
・ リニア特性(Linear特性)
これらの流量特性はプロセスエンジニアと計装エンジニアの協議によって決定されますが、調節弁の設置目的や制御しようとしているプロセスの内容によって決定されるため、やはりP&IDを作成するプロセスエンジニアが主導して決定されることが多いです。
そこで次項からEQ%特性とリニア特性、それぞれの流量特性の内容および選定指針について解説します。
合わせて読みたい
・【計装】プラントで使用される調節弁の種類と特徴の解説
・【計装】調節弁の主な付属品(アクセサリ)の種類と特徴について解説
・【計装】調節弁データシート作成方法の解説
・【計装】 制御弁の開度、Cv値から流量を求める方法の解説
・【計装】調節弁のバイパスライン要否の考え方について解説
・【計装】リーククラスとは?バルブの締め切りについての要求事項を解説
・【計装】プラントで使用される自力式調節弁の種類と特徴の解説
・【計装】緊急遮断弁の設計の留意点について解説
・【計装】設計に注意を要する調節弁の事例について解説
・【計装】調節弁のアクチュエータの設計の留意点について解説
・プラントのプロセス制御性と最適な制御方式の考え方について解説
・【圧縮機】遠心コンプレッサーのサージングとその対策方法について
・【圧縮機】スピルバック制御とは?往復動圧縮機の運転制御について解説
・【配管】マニュアルバルブ(手動弁)の選定基準について解説
EQ%とリニア特性とは

調節弁の弁開度を0~100%まで変えたときの弁開度と弁を通過する流量(CV値)の関係は流量特性と呼ばれますが、代表的な流量特性としてEQ%特性(イコールパーセント特性)リニア特性(Linear特性)の2種類があります。
上図のように、EQ%ではバルブ開度が小さい時はCv値は小さくバルブ開度が大きい時は急激にCv値が大きくなります。一方リニア特性ではバルブ開度とCv値との関係はほぼ比例関係にあります。
プロセス制御を行うための調節弁は基本的にはこの2つのどちらかの流量特性となりますが、最もよく使用される流量調整弁ではEQ%特性が適用されることが多いです。
これらの流量特性は通常P&IDには記載されませんが、調節弁を手配する際は必須の情報となるため、調節弁データシートでは必ず記載されます。
EQ%特性が選定される場合

上図のように、通常のプロセスラインは流量調整弁の下流側には多くの機器が設置されるため、流量が増えると配管や機器の圧損が大きくなり、調節弁で使える差圧は減ってしまいます。
つまり、この調節弁で流量制御を行う場合、高流量域では低差圧、低流量域では高差圧で動作することが求められます。このような動作要求に対応する流量特性がEQ%特性です。
EQ%特性では、上記のような系の特性とバルブ特性(前項)が打ち消され、低流量~高流量の各流量域におけるバルブ開度と必要Cv値が噛み合うため最適な流量制御となります。
上図のように設置される調節弁はプラント内では最も多く設置されるため、結果として調節弁の多くはEQ%特性となります。
一方、リニア特性のバル調節弁で制御しようとすると低流量域では開度が小さくなり過ぎ、高流量域では小さな流量偏差で大きくバルブ開度を動かす必要が出てくるため、全体としてバルブの制御性が悪くなってしまいます。
リニア特性が選定される場合

調節弁の二次側が大気圧付近、あるいは低圧で調節弁自身の圧損が系の圧損の大半を占める場合、流量によらずバルブの差圧はほぼ一定となります。
上図のように、ポンプの上流側は低圧なので、ポンプのミニフローラインにおける圧力損失はほとんど調節弁を占めるため、流量域によらずバルブ開度と必要Cv値の関係はほぼ比例関係となり、このようなバルブについてはリニア特性が有利となります。
上図の他にも、圧縮機のアンチサージ弁や高差圧弁などについても、系の圧力損失の中に占める調節弁の圧損の割合が大きいため、リニア特性が選定されることが多いです。
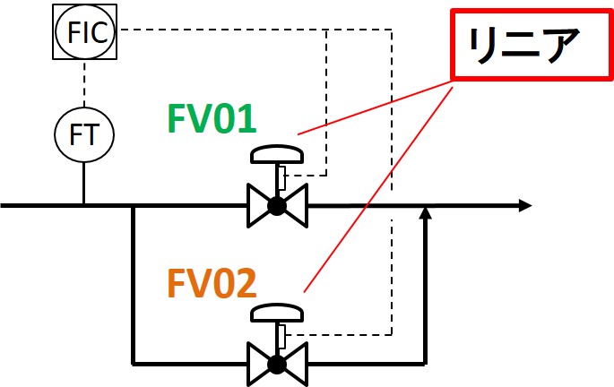
スプリットレンジ制御/比率制御

スプリットレンジ制御、混合比率制御もリニア特性が有利になることが多いです。
上図のようにスプリットレンジ制御の場合(例:親子弁制御)、二つの調節弁で一つの対象をコントロールするため、EQ%特性同士を組み合わせても系全体でEQ%とはならず、切替えポイントの連続性も悪くなる等の理由から、系全体の制御性が悪くなってしまいます。
比率だけを変えて合流後の流量を一定に保つ様なケースにおいても、EQ%特性を組み合わせてしまうと、流量を一定に保てないため、リニア特性が有利となります。

上図では親子弁によるスプリットレンジ制御の出力(Signal%)とバルブ開度、Cv値との関係を示しています。
低流量域ではFV01のみが動作しますが、出力50%に達するとFV01は全開、FV02が開き始めます。このように制御目標は系の流量(系のCv値)一つだけですが、実際に制御するのはFV01とFV02の2つとなります。
まとめ
今回の記事では調節弁の流量特性、特にEQ%特性とリニア特性の選定指針について解説しました。
調節弁を設計するためには、流量特性を決定する必要がありますが、流量特性はEQ%特性、リニア特性、クイックオープン特性があります。
プロセスを制御するための調節弁でよく選定される流量特性はEQ%特性、リニア特性の2つですが、これらの流量特性は調節弁の設置目的や制御しようとしているプロセスの内容によって決定されるため、P&IDを作成するプロセスエンジニアが主導して決定されることが多いです。
今回の記事が役に立てば幸いです。ではまた他の記事でお会いしましょう。