
今回の記事では化学プラントにおけるプロセスの制御性(制御特性)と最適な制御方法の考え方について解説します。
プラント設計においてプロセスエンジニアがプロセスフロー図(PFD)を作成する時、各ユニットのプロセス制御方法を検討しなければなりません。
プロセス制御方法は、それぞれの機器、ユニットのプロセス制御特性に応じた最適な制御方式となるように決定する必要があります。プラントの基本設計ではPFDを基にして作成されるP&IDを軸として設計が進んでいくため、後工程で変更があった時のインパクトは非常に大きくなります。
また、誤ったプロセス制御方式が選定されてしまうと、試運転において上手くプラントを運転することができず、トラブル多発、性能未達などにつながる恐れがあります。
そのため、プロセス制御方法の検討はプロセスエンジニアにとって重要な業務の一つとなります。
本記事は、プロセス制御の基本的な考え方と、代表的なプラント機器である熱交換器と蒸留塔のプロセス制御の考え方について解説します。
各プロセス制御要素と標準的な制御ループについてはこちらの記事を参照ください。
合わせて読みたい
・化学工学ってプラントエンジニアリングのどんな場面で使われる?
・【プラント設計基礎③】プロセスフロー図(PFD)、マテリアルバランス
・【プラント設計基礎④】運転法案(POD作成)~P&ID作成の準備~
・【プラント設計基礎⑨】P&IDの作成手順の解説~プラント基本設計で記載すること~
・【気液平衡】プラント設計で使用される気液平衡の推算モデルの解説
・【物性推算】プロセスシミュレーションで使用される物性推算モデルの適用範囲の解説
・【物性推算】沸点から蒸発熱、臨界温度を求める方法。「トルートンの規則」と「Guldbergの通則」について解説
・【移動現象】粒子の抵抗係数と終端速度の計算方法の解説
・【回転機】真空ポンプの排気時間の計算方法の解説
・タンク、ベッセルの排水時間の計算方法の解説
・【撹拌】Pv値とは?攪拌槽のスケールアップの留意点について解説
・【吸収塔】吸収塔高さの計算に必要な移動単位数(NTU)を図解法で求める方法の解説
・横型タンクの内容量の計算方法の解説~タンクテーブルの作成~
・縦型タンクの内容量の計算方法、タンクテーブルの作成方法
・タンク,ドラムの液面計ノズル位置と滞留時間の決め方の解説
・「濾過助剤」とは?プラントで使用される濾過助剤の種類と特徴について解説
・【計装】調節弁の流量特性とは?EQ%特性とリニア特性の選定指針について解説
・【プロセス制御】プラントの運転における標準的な制御ループについて解説
基本的な考え方

一般に、プロセスは非線形の特性を持っており、上図のAかBのどちらかの特性を示します。
Bのように入力が大きくなればなるほど出力が指数関数的に大きくなる特性もありますが、圧倒的に多いのはAのような飽和形を示すプロセス特性です。
Aのプロセス特性の場合では入力(操作点)をx1とすると、これに対応する出力y(ゲイン)が大きいことが分かります。別の言い方をすると、この領域では、操作変数が制御変数の値を変える能力が高い(ゲインが大きい)と言えます。
一方、入力(操作点)をx2とした場合はその逆で、この領域では操作変数が制御変数の値を変える能力が低い(ゲインが低い)と言えます。
原則として、プロセス制御においてはx1の領域、即ちゲインが大きいような領域となるように設計をしなければなりません。
ただし、プロセス設計上、操作変数に対するゲインを大きくとることが困難な場合があります。プロセス制御方法を見直すといった対応が必要になります。
具体例として、熱交換器と蒸留塔のプロセス制御の考え方について次項から解説します。
熱交換器

熱交換器の一般的なプロセス制御の考え方について解説します。
温度T1のプロセス流体を熱交換器により温度T2に加熱or冷却するプロセスを考えます。
プロセス流体の温度差(|T1-T2|)が熱媒or冷媒の温度差(|t1-t2|)よりも小さい場合、即ち|T1-T2|<|t1-t2|の場合は、熱媒or冷媒の流量(入力)によるプロセス流体T2温度(出力/ゲイン)を大きくすることができます。
そのため、このような場合では上図左側のプロセス制御方式とすることが一般的です。
一方、熱媒or冷媒の温度差(|t1-t2|)を大きくとれない場合、即ち|T1-T2|>|t1-t2|の場合は、上図左側の制御方式では出力/ゲインを大きくとることが出来ないので、プロセス制御方式としては不適となります。
このような場合はプロセスラインに熱交換器のバイパスを設け、熱交換器に流入する流量とバイパスの流量を三方弁で調整するバイパス制御方式がよく用いられます。
蒸留塔
リフラックスドラムの液面制御

リフラックスドラムを持つ蒸留塔の場合、このドラムへの流出は一箇所に対し、流出はリフラックス(還流)と塔頂液の流出の二箇所あります。
この場合、片方を流量制御(FC)、もう片方を液面制御(LC)にしなければなりませんが、どちらをどの制御方式とするかは良く検討してから決定しなければありません。
一般的には、流量の大きい方を液面制御(LC)とし、少ない方を流量制御(FC)とします。上図では塔頂の流出流量が少なく、リフラックスの流量が大きい場合に選定されるプロセス制御方式です。
仮に流量の少ない方で液面制御にしてしまうと、もう片方(流量大の方)の流量変動(外乱)による液面変動への影響が大きくなり、液面制御が上手くいかなくなる場合があります。
塔内の温度制御
蒸留塔の目的はプロセス流体から不純物や副成分を分離して純度の高い製品を製造することなので、蒸留塔内の組成制御は非常に重要です。ただし、組成を直接することは難しいので、塔内温度を制御することで組成(製品純度)を制御します。特に塔頂流出液の組成が重要であれば塔頂部の温度制御、塔底流出液の組成が重要であれば塔底部に温度制御を行います。
ただし、蒸留塔の温度制御は非常に複雑で、リボイラ熱量やリフラックス流量の変動がお互いの温度と干渉しあっているため、例えば塔頂部の温度制御と塔底部の温度制御を同時に行うと上手く制御できないことが多いです。
また、前項の液面制御において、リフラックス流量でリフラックスドラムの液面制御を行う場合は、リフラックス流量の変動が外乱となり、塔内温度に大きく影響してしまう場合があるので要注意です。
そのため、蒸留塔内の液面制御をゆるくする(多少の液面変動は許容する)方が良い場合があります。
一般的に、塔頂部、塔底部のどちらか一方の温度を自動制御し、もう片方を成り行きにすると良いと言われています。以下に目的に応じた制御方式の例を解説します。
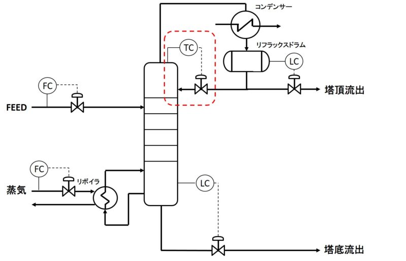
塔頂流出液の組成が重要かつ流量小の場合

塔頂流出液の組成が重要でかつ流量が小さい場合の制御方式です。
塔頂部の温度制御(TC)をリフラックスの流量の調整で行います。蒸留塔の制御方式としては一般的な方式の一つです。
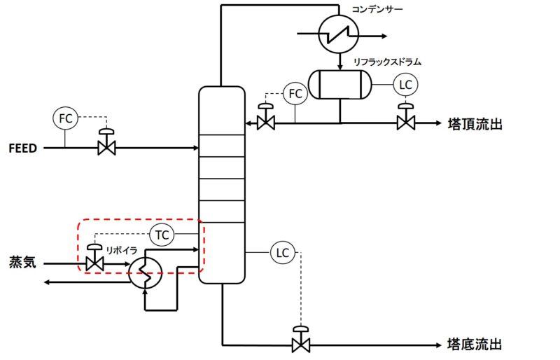
塔底流出液の組成が重要かつ流量小の場合

塔底流出液の組成が重要でかつ流量が小さい場合の制御方式です。
塔底部の温度制御(TC)をリボイラの熱量(熱媒蒸気の流量)の調整で行います。この制御方式も蒸留塔の制御方式としては一般的な方式です。
特殊な制御方式(制御塔底流出液の組成が重要かつ流量大)の場合

特殊な制御方式として、塔底流出液の組成が重要でかつ流量が小さい場合の制御方式を解説します。
塔底の組成が重要なので、塔底部の温度制御を行うことについては前項と同じですが、塔底流出液の流量が多い場合は、リボイラの熱量制御では塔底部の温度制御が難しくなることがあります。
この場合はリボイラ熱量は一定(熱媒蒸気流量は一定)としておいて、リフラックス流量で塔底部の温度制御を行う制御方式が選定されます。(熱交換器の温度制御におけるバイパス制御に近いイメージです。)
ただし、この制御方式では、塔頂流出液量が小さいとリフラックスドラムの液面変動が大きくなってしまいます、そのため、塔頂流出液の流量や液面変動の許容幅を考慮して慎重に決定する必要があります。
まとめ
今回の記事では化学プラントにおけるプロセスの制御性(制御特性)と最適な制御方法の考え方について解説しました。
プロセス制御方法の検討は、プロセスエンジニアにとって重要な業務の一つですが、それぞれの機器、ユニットのプロセス制御特性に応じた最適な制御方式となるように決定する必要があります。
基本的な考え方としては、入力に対して出力(ゲイン)が大きいような領域となるようなプロセス制御方式を選定することが重要です。熱交換器の温度制御においてはこの考え方を基に制御方式を決定することができます。
蒸留塔においては、各入力と出力が複雑に干渉しあうため、上記の考え方の他、外乱の影響や「何の制御を厳しくして何を緩くするか」の観点から制御方式を決定しなければなりません。
本記事が役に立てば幸いです。ではまた他の記事でお会いしましょう。

